产品中心

C波段40nm可调谐DBR激光器

品牌:

暂无

特点:

暂无

产品负责人:

暂无

产品详情

产品介绍:

C波段40nm可调谐DBR激光器是一种SSG-DBR(超结构光栅分布式布拉格反射器)激光器,带有集成SOA(半导体光放大器)。其波长可以在C波段上连续灵活地调谐,并可以调谐到C波段ITU信道网格。该模块包含两个光栅部分(前后)和一个相位部分,可以在纳秒级进行精确的电调谐,并具有稳定的光功率输出。集成SOA有助于灵活控制输出功率。这种40nm可调谐激光模块可广泛应用于光通信和光纤传感应用。


产品特点:

14PIN蝶形封装
光输出功率10mW
高边模抑制比>40dB
C波段调谐范围40 nm
符合Telcordia GR-468标准
RoHS


应用:

DWDM传输系统
可调DWDM转发器和收发器
DWDM系统中的动态配置和波长路由
测试和测量
光纤传感

技术参数:

绝对最大额定值
超过绝对最大额定值的应力会对设备造成永久性损坏。

参数

Symbol

Min

Typ

Max

Unit

储存温度

TS

-40

 

85

C

相对湿度

RH

0

 

85

%


LD正向电压

V

 

 

3

V


LD反向电压

Vr

 

 

2

V

激光增益电流

Ig

 

 

150

mA

SOA电流

IS

 

 

150

mA

光栅(前/后)电流

Ir

 

 

90

mA

相电流

Ip

 

 

10

mA


MPD后电压

VMPDR

 

 

10

V

TEC电流

ITEC

 

 

1.2

A


TEC电压

VTEC

 

 

3.5

V

ESD(HBM)

ESD

 

500

 

V


光电参数(Tc=25℃)

参数

Symbol

Min

Typ

Max

Unit

阈值电流

Ith

 

30

 

mA


工作电压

Vop

 

1.5

2.5

V

激光增益电流

Ig

 

100

 

mA

SOA电流

IS

 

100

 

mA

光栅电流

Ir

 

60

 

mA

相电流

Ip

 

5

 

mA

光输出功率

Po

 

10

 

mW

监测工作电流

Im

10

 

200

μA/mW

波长调谐范围

 

 

40

 

nm

中心波长范围


λ

1528

 

1568

nm


信道间隔(ITU网格)

 

 

50 /100

 

GHz


通道数

 

 

96/48

 

 

边模抑制比

SMSR

40

 

 

dB

线宽

LW

2

 

5

MHz


相对强度噪声

RIN

 

 

-140

dB/Hz


光隔离

 

35

 

 

dB

热敏电阻

Rth

9.5

10

10.5

kOhm


热敏电阻灵敏度指数


β

 

3892

 

K


尺寸:

尺寸单位为毫米mm


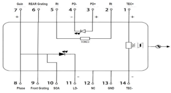
管脚定义:

Pin分配

 

Pin

 

功能

 

Pin

 

功能

1

 

TEC (+)

8

Phase

 

2

 

热敏电阻

9

Front Grating

 

3

 

MPD ANODE

10

SOA

 

4

 

MPD CATHODE

11

LD Cathode (-)

 

5

热敏电阻

12

NC

 

6

NC

13

Case Ground

 

7

Gain

14

TEC (-)

相关产品

    暂无

询价留言

如有意向购买产品或者相关技术咨询,请联系我们

姓名*

电话*

公司名称

请输入您感兴趣的产品或研究方向*