

高功率窄带可调谐DBR激光器是一种带有半导体光放大器(SOA)的DBR激光器。其波长可以连续灵活地调谐,并可以调谐到ITU信道网格。光输出功率可以通过SOA注入电流来调节,以在应用的调谐范围内平衡功率。
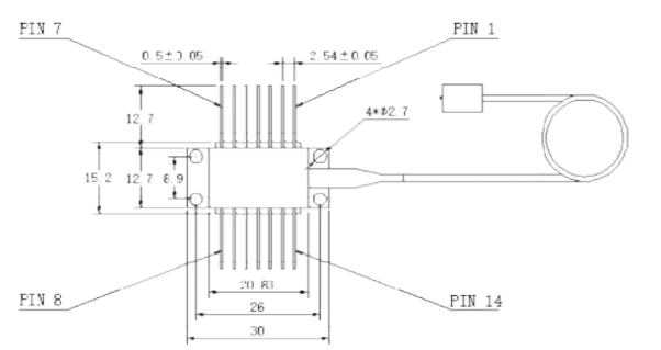
14PIN蝶形封装
光输出功率10mW
高边模抑制比>40dB
C波段调谐范围40 nm
符合Telcordia GR-468标准
RoHS
绝对最大额定值
超过绝对最大额定值的应力会对设备造成永久性损坏。
参数 | Symbol | Min | Typ | Max | Unit |
储存温度 | TS | -40 |
| 85 | TS |
相对湿度 | RH | 0 |
| 85 | RH |
| V |
|
| 2 | V |
| Vr |
|
| 2 | V |
激光增益电流 |
|
|
| 150 | mA |
SOA电流 |
|
|
| 200 |
|
光栅电流 |
|
|
| 90 | mA |
相电流 |
|
|
| 10 | mA |
| VMPDR |
|
| 10 | V |
TEC电流 |
|
|
| 1.2 | A |
| VTEC |
|
| 3.5 | V |
ESD(HBM) | ESD |
| 500 |
| V |
光电参数(Tc=25℃)
参数 | Symbol | Min | Typ | Max | Unit |
阈值电流 |
|
| 15 |
| mA |
| Vop |
|
| 2 | V |
激光增益电流 |
|
| 100 |
| mA |
SOA电流 |
|
| 80 |
| mA |
光栅电流 |
|
|
| 80 | mA |
相电流 |
|
|
| 5 | mA |
光输出功率 | Po |
| 15 | 30 | mW |
监测工作电流 |
| 10 |
| 200 | μA/mW |
波长调谐范围 |
|
| 8 |
| nm |
中心波长范围 |
| 1530 |
| 1580 | nm |
|
|
| 50 /100 |
| GHz |
|
|
| 24/12 |
|
|
边模抑制比 | SMSR | 40 |
|
| dB |
线宽 | LW | 2 |
| 5 | MHz |
| RIN |
|
| -140 | dB/Hz |
|
| 30 |
|
| dB |
热敏电阻 |
| 9.5 | 10 | 10.5 | kOhm |
|
|
| 3892 |
| K |
尺寸单位为毫米mm
Pin分配 | |||
Pin |
功能 |
Pin |
功能 |
1 |
TEC (+) |
8 |
Phase |
2 |
热敏电阻 |
9 |
Grating |
3 |
MPD ANODE |
10 | SOA |
4 |
MPD CATHODE |
11 |
|
5 | 热敏电阻 |
12 |
NC |
6 | NC |
13 |
Case Ground |
7 | Gain |
14 |
TEC (-) |
暂无
如有意向购买产品或者相关技术咨询,请联系我们